HOM系列帶行星齒輪的部分回轉電動執行機構,用于機械傳動。輸出扭矩為100~8000NM,手動操作無離合器。手動和電動分別操作。它在沒有手柄或離合器的情況下很容易操作,當電源打開時,你可以轉動手輪。電動執行機構可與蝶閥、球閥、旋塞閥組合,廣泛應用于發電廠/冶金廠/污水處理廠/樓宇自動化/城市管網等管道系統。
產品概述
HOM系列角行程電動執行器機械傳動采用行星齒輪結構,可輸出扭矩25-8000Nm,手動操作機構為無離合設計,手動/電動互不干涉,無需通過手柄或離合器即可輕松操作,在產品通電時也可轉動手動。產品可適配蝶閥、球閥、旋塞閥等產品應用于電廠/冶金廠/污水處理廠/樓宇自控/城市管網等管路系統。該系列產品具有輸出扭矩高,帶有自鎖,速比多樣化等特點,連接法蘭均采用ISO5211標準,聯軸器采用花鍵連接方便用戶適配不同規格閥門。
產品特性
扭矩范圍:25Nm-8000Nm
適配多樣性,可適配蝶閥、球閥、旋塞閥等閥類
具有自鎖性的行星傳動機構
一體式IS05211標準連接法蘭
3D開度指示器
無離合手輪裝置
IP67/IP68高防護等級
內置防潮加熱器,預防冷凝
選配過力矩保護,防止損壞閥體
基礎參數
供電電壓 | AC 220V±10% |
頻率 | 50/60 Hz |
扭矩范圍 | 25Nm-8000Nm |
行程角度 | 90° |
行程開關 | 2×SPDT,250VAC 5A |
輔助開關 | 2×SPDT,250VAC 5A |
電纜接頭 | <100Nm:2-M20*1.5, ≥100Nm:2×PG16 |
開關量 | 輸入信號:有源信號 |
輸出信號:有源信號+無源信號 | |
模擬量 | 輸入信號:4-20mA(出廠設置)/2-10V/0-10V 可調 |
輸出信號:4-20mA(出廠設置)/2-10V/0-10V 可調 | |
連接法蘭 | 符合ISO5211標準 |
位置指示 | 3D雙色帶刻度指示器,可選指針指示器 |
手動機構 | 無離合機械手輪 |
防護等級 | IP67、IP68可選 |
環境溫度 | -25℃~70℃ |
過力矩保護 | 選配 |
防結露裝置 | 內置防潮加熱器 |
過熱保護 | 電機內置過熱保護,啟動溫度125℃±5℃ |
斷電狀態 | 斷電保位 |
斷信號狀態 | 4-20mA/2-10V:斷信號全開/斷信號全關可設置(出廠默認斷信號保位) 0-10V:斷信號全關 |
規格參數
型號 | Max輸出扭矩(Nm) | 運行時間(秒/90°) | 電機功率(W) | 法蘭孔距(ISO5211) |
HEQ1-05 | 50 | 20 | 12 | F05/F07 |
HEQ1-08 | 80 | 30 | 12 | F05/F07 |
HOM2-10 | 100 | 19 | 40 | F07/F10 |
HOM2-20 | 200 | 39 | 40 | F07/F10 |
HOM2-30 | 300 | 39 | 40 | F07/F10 |
HOM3-40 | 400 | 29 | 90 | F10/F12 |
HOM3-60 | 600 | 39 | 90 | F10/F12 |
HOM3-80 | 800 | 47 | 90 | F10/F12 |
HOM3-100 | 1000 | 47 | 120 | F10/F12 |
HOM3-130 | 1300 | 47 | 120 | F10/F12 |
HOM4-170 | 1700 | 34 | 200 | F12/F16 or F14 |
HOM4-200 | 2000 | 34 | 200 | F12/F16 or F14 |
HOM4-230 | 2300 | 47 | 200 | F12/F16 or F14 |
HOM4JS-350 | 3500 | 70 | 200 | F16/F25 |
HOM4JS-500 | 5000 | 136 | 200 | F16/F25 |
HOM4JS-800 | 8000 | 188 | 200 | F16/F25 |
注:上述產品的額定扭矩為**輸出扭矩的 0.75 倍。
產品尺寸參數
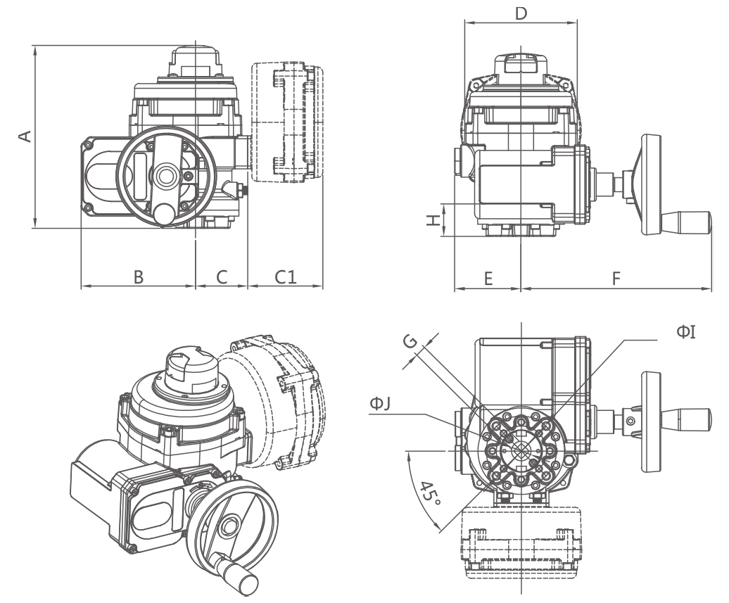
HEQ1外形尺寸圖

型號 | A | B | C | C1 | D | E | F | G | H | φI | J | |
HEQ1-05 | 開關型 | 182 | 114 | 52 | / | 140 | 94 | 190 | 11×11 | 30 | 50 | 4-M6 |
HEQ1-08 | 調節型 | 182 | 114 | 52 | 75 | 140 | 94 | 190 | 14×14 | 70 | 4-M8 | |
HOM2-4外形尺寸圖

型號 | A | B | C | D | E | F | G | H | φI | J |
HOM2-10 | 278 | 78 | 125 | 189 | 125 | 232 | 14×14 17×17 | 35 | 70 102 | 4-M8 4-M10 |
HOM2-20 | 278 | 78 | 125 | 189 | 125 | 232 | ||||
HOM2-30 | 278 | 78 | 125 | 189 | 125 | 232 | ||||
HOM3-40 | 340 | 105 | 190 | 232 | 158 | 290 | 22×22 27×27 | 55 | 102 125 | 4-M10 4-M12 |
HOM3-60 | 340 | 105 | 190 | 232 | 158 | 290 | ||||
HOM3-80 | 340 | 105 | 190 | 232 | 158 | 290 | ||||
HOM3-100 | 340 | 105 | 190 | 232 | 158 | 290 | ||||
HOM3-130 | 340 | 105 | 190 | 232 | 158 | 290 | ||||
HOM4-170 | 390 | 129 | 245 | 265 | 165 | 325 | 27×27 36×36 | 65 | 125 140 | 4-M12 4-M16 |
HOM4-200 | 390 | 129 | 245 | 265 | 165 | 325 | ||||
HOM4-230 | 390 | 129 | 245 | 265 | 165 | 325 |
HOM4JS外形尺寸圖

型號 | A | B | C | D | E | F | G | H | φI | J |
HOM4JS-350 | 586 | 137 | 242 | 265 | 306 | 173 | 36×36 46×46 | 130 | 165 254 | 4-M20 8-M16 |
HOM4JS-500 | 586 | 137 | 242 | 265 | 306 | 173 | ||||
HOM4JS-800 | 586 | 137 | 242 | 265 | 306 | 173 |
Note:
尺寸單位:毫米
閥軸尺寸可定制
如果您需要特殊法蘭,請聯系我們。